
0769-82327388
文章来源 : 广东优科检测 发表时间:2023-01-10 浏览数量:
电子设备用固定电容器CQC认证、TUV认证需要进行高浪涌电流测试,优科检测认证是专业第三方电容器检测认证机构,实验室具备GB/T 2693、IEC/EN 60384标准CNAS全项检测资质和检测能力,可提供电容高浪涌电流测试服务,并可出具权威认可的第三方检测报告。

电子设备用固定电容器 第 1 部分:总规范 GB/T 2693-2001 IEC 60384-1:1999, IEC 60384-1:2016, EN 60384-1:2016 4.39
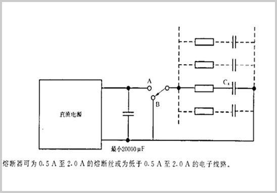
1. 试验电路
下图给出了适用的试验电路,其中开关可为电子的或为机械的,但优先电子的。

2. 试验电路的校准
应对充电电路进行下述校准:
在每一试验位置应接入35V、47μF±10%的电容器,应监测被试电容器两端的电压,以确定在充电期间电容器两端的峰值电压为UR±5%,在开关闭合的60ms内达到测得峰值电压的90%,并未出现开关回跳或电路电感产生的无用瞬变值。
注:除非包括线圈,熔断器和夹具在内的充电电路,其直流电阻小于0.5Ω,否则这一要求不可能满足。
电容器可以并联进行试验,只要:
a)被试电容器总电容量小于充电电容器的2%;
b)对于每个被试电容器来说,上述规定的所有条件均应满足。
当对进行试验的并联电容器有规定时,这些要求都应实现。
3. 试验程序
1)应在23C士3C下进行试验。
2)开关转至位置A时,被试电容器将被低阻抗的容量至少达20 000 F的电解电容器充电1s,然后电解电容器应被提供10A的电流的稳压电源充电达到被试电容器额定电压(UR)土2%。
3)被试电容器充电1s后,应将开关转至位置B,使共放电1s。放电电路的电阻为大于0.05Q但小于0.2 Ω.
4)应监测被试电容器两端电压,以确定充电期间两端峰值电压达UR3%,并最大峰值电压是在未出现由开关回跳或电路电感引起的瞬态情况下获得的。
5)对被试电容器的进一步充电和放电应在相同条件下进行。
4. 最终测量
电容器应满足详细规范规定的要求。

1. 前期咨询:提供需委托检测项目、测试条件或测试标准;
2. 评估报价:根据检测要求、样品规格及参数评估报价;
3. 填写委托书:向优科发起检测申请,填写委托书(会有专人指导填写);
4. 付款及提供样品资料:按照协定报价支付费用,按要求提供足够数量的样品及产品资料;
5. 安排检测:按委托要求对产品进行检测;
6. 出具报告:依据检测数据出具报告,将报告、发票及样品回寄客户。

获取报价
如果您对我司的产品或服务有任何意见或者建议,您可以通过这个渠道给予我们反馈。您的留言我们会尽快回复!
